Introduction:
EDIC36-40C series, which is based on the principle of LVDT,is highly precise and sensitive. Special sealing pefromed in EDIC36-40C make it operate up to 5076pisg. EDIC36-40C has been widely used in hydraulic control, meanwhile become a necessary sensing element of hydraulic control system.
Features:
- Pressure resistant up to 350bar (5076psig)
- 2-wire output of 4-20mA, 3-wire voltage signal
- Operating Voltage9 - 28V DC,Pow Consumption<2W
- Measurements ranging from 2mm to 10mm
- Linearity<1%  Full Scale
- Mechanical zeroing( Within 2mm)
Applicaitions:
- Servo Valve Displacement Sensing
- Directional Control Valves
- Propotional Valves
- Servo Lever
Specification:

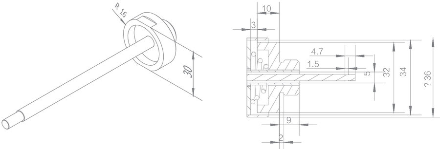
Dimension:



Installation:

