ESHF11018霍爾式轉速傳感器,應用霍爾效應原理檢測齒輪等導磁金屬的轉速,當有導磁金屬接近探頭時,探頭內部永磁體的磁通密度發生變化,并被霍爾IC檢測到,通過后端集成電路轉為脈沖輸出,脈沖頻率與齒輪旋轉速度成正比。 采用非接觸式測量方式,能夠精確測量轉速。具有頻率 范圍廣、響應速度快、機械壽命長、穩定、堅固耐用等特點。
特點
■ 精準、可靠、重復性高 
■ 工作溫度范圍廣 
■ 工作頻率范圍廣 
■ 頻率范圍:0~20KHz 
■ 測量面抗壓能力:10bar
應用場景
■ 齒輪的轉速檢測 
■ 可用于車輛、工程機械及電動和液壓 馬達(軸向活塞泵和馬達)
行業
■ 液壓傳動 
■ 車輛 
■ 機械設備
性能參數

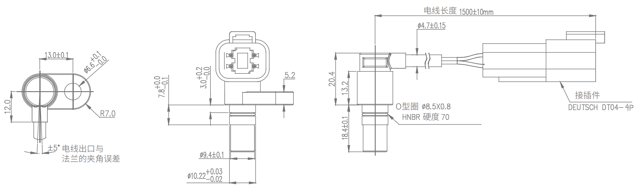
機械尺寸

使用說明

連接方式
