EFH02葉輪式流量計內部葉輪受流體流動的沖擊而旋轉,以葉輪旋轉的快慢來反映流量的大小。該產品采用POK材質,防腐蝕,堅固耐用,性價比高。廣泛應用于農業無人機等設備,檢測農藥等腐蝕性液體流量。 
特點:
■ POK材質,適合測量腐蝕性液體 
■ 結構牢固,耐沖擊、震動 
■ 性價比高
應用場景:
■ 農業無人機噴藥量檢測 
■ 潤滑油、液壓油檢測
行業:
■ 無人機 
■ 機械設備
性能參數:

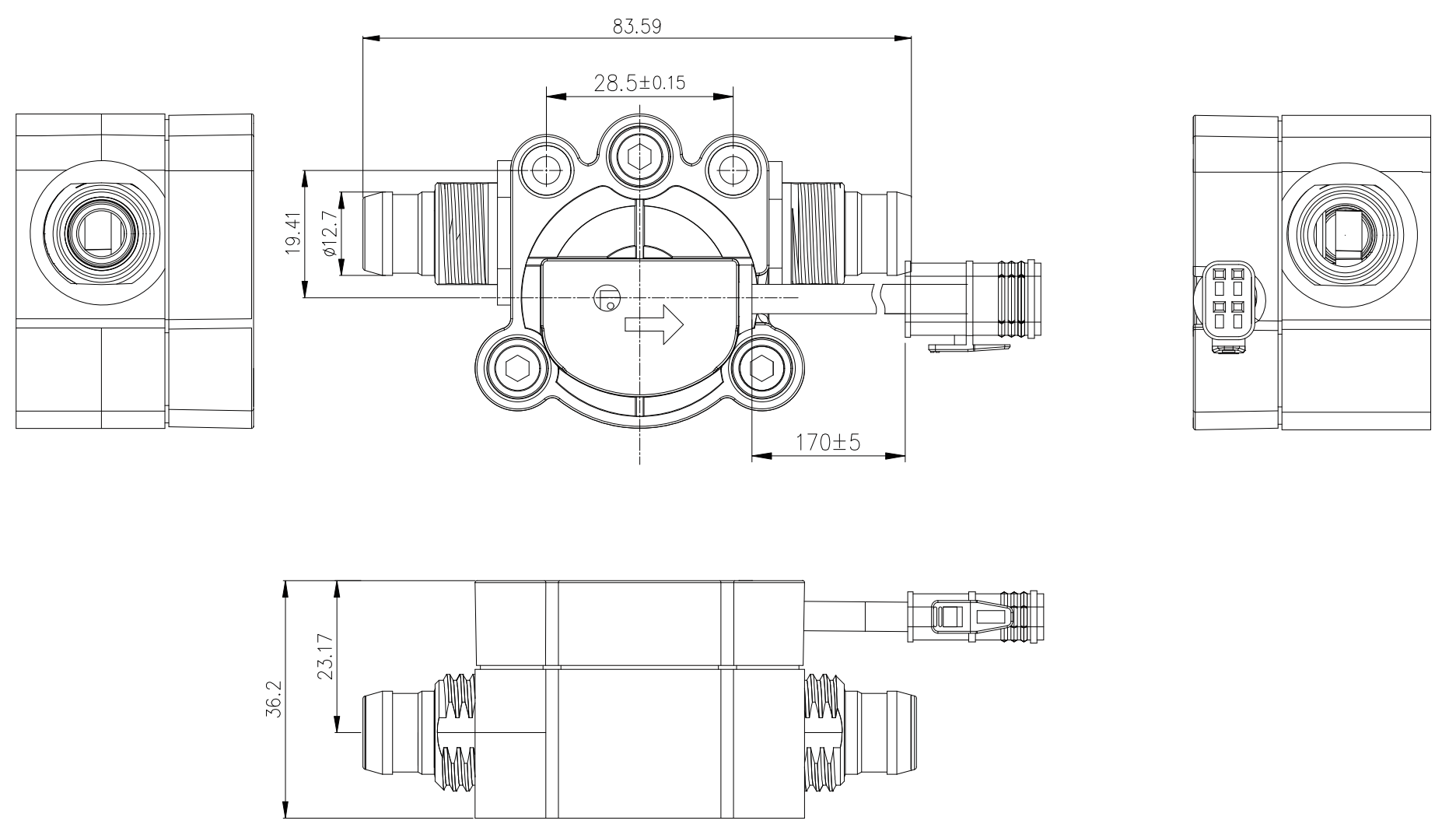
機械尺寸:

使用注意事項:
1. 當測試液體不純凈時,為了避免顆粒、雜物進入傳感器造成堵塞,建議傳感器入水口處安裝過濾網; 
2. 微型流量傳感器的安裝建議在設備內部或室內,切勿長時間暴露在戶外或者潮濕高溫等惡劣環境下; 
3. 微型流量傳感器的安裝須避開震動和搖晃的環境和應用,以避免影響傳感器的測量精度; 
4. 微型流量傳感器固定處建議是非導磁體; 
5. 當外部有強力的磁場靠近傳感器時,其特征可能發生改變。