EDIC20G-15E閥芯位置傳感器采用差動變壓的測量原理,具有精度高、線性好、響應速度快等特點。獨特的密封方式,使得傳感器最高可以承受35Mpa高壓。廣泛應用于液壓控制領域,是液壓控制系統必不可少的感應器件。
特點:
■ 耐高壓,可承受35MPa
■ 輸出4線交流信號
■ 激勵電壓1-5Vrms
■ 激勵頻率1-5KHz
■ 測量范圍寬 0 - 15mm
■ 線性精度高 <2%
應用場景:
■ 比例閥
■ 伺服閥
■ 換向閥
■ 微距伺服油缸
行業:
■ 液壓傳動
■ 車輛
■ 工業自動化
性能參數:

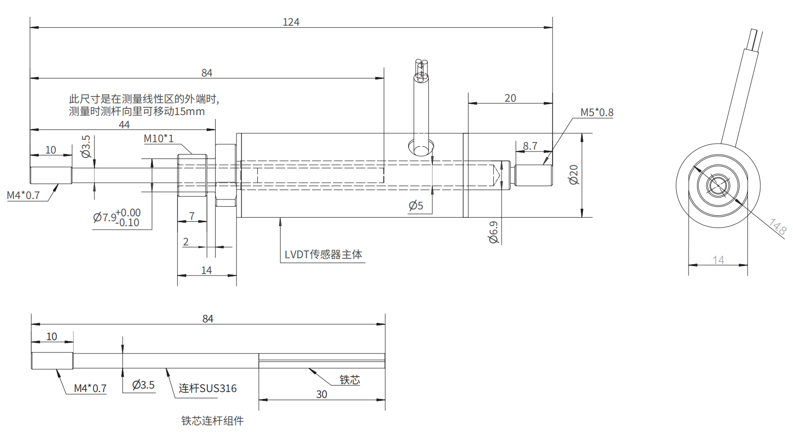
機械尺寸:
